
Art.Nr.: 118100
Pahlén WaterVise Poolpumpe - 230 V
Poolgröße in m³: 30-90
Das Pumpengehäuse und das Laufrad der Pumpe wurde so konstruiert das die Pumpe während des Betriebs geräuscharm und höchst energieeffizient läuft. Die Pumpe ist rostfrei und hat eine hohe Lebensdauer, denn es kommen nur ausgewählte Materialien zum Einsatz. Das Pumpengehäuse und das Laufrad werden aus Bronze gefertigt und die Pumpenwelle aus Edelstahl.
Der Vorfilter der Pumpe mit seinem transparenten Deckel ist leicht abnehmbar. Die Pumpe ist sehr flexibel bei der Installation, denn es ist möglich das Vorfiltergehäuse in 7 verschiedenen Positionen an der Pumpe zu Montieren. Für den Anschluss hat die Pumpe ein 2“ Innengewinde. Auf der Saugseite der Pumpe befindet sich ein Siebkorb welcher die Pumpe vor groben Schmutz wie z.B. Blättern und Insekten schützt. Dieser Siebkorb kann zur Reinigung einfach aus der Pumpe entfernt und ausgespült werden.
Transport und saisonale Lagerung:
Lagern Sie die Pumpe in einer trockenen Umgebung bei stabiler Temperatur. (Starke Temperaturschwankungen und feuchte Umgebungen können Schäden durch Korrosion an Motorwicklungen oder Metallteile verursachen.)
Dieses Gerät darf nicht in aggressivem Wasser, Salzwasser oder Pools/Badefässern mit Chlorgenerator/Salzelektrolysegerät verwendet werden, siehe empfohlene Werte zur Wasserqualität.
Das Produkt ist für folgende Wasserwerte vorgesehen:
Bei Nichteinhaltung dieser Werte erlischt die Produktgarantie.
Die Poolpumpe kann über folgende Anschlüsse in den Wasserkreislauf Ihres Pools eingebunden werden.
Wassereingang: Saugseite Pumpe hat folgende Anschluss: 2“ Innengewinde.
Wasserausgang: Druckseite Pumpe hat folgende Anschluss: 2“ Innengewinde.
Konstruktions – Merkmale:
Bei Frostgefahr muss die Pumpe außer Betrieb genommen und entwässert werden können, um Frostschäden zu vermeiden.
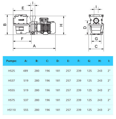
| Technische Daten | HS 25 WaterVISE | HS 37 WaterVISE | HS 55 WaterVISE | HS 75 WaterVISE | HS 110 WaterVISE | 
| Filterleistung | bis zu 8 m3/h | bis zu 14 m3/h | bis zu 17 m3/h | bis zu 20 m3/h | bis zu 23 m3/h | 
| Förderhöhe in m WS | 8 | 8 | 8 | 8 | 8 | 
| Spannung | 230 V | 230 V | 230 V | 230 V | 230 V | 
| Motorleistung in KW (P2) | 0,25 kW | 0,37 kW | 0,55 kW | 0,75 kW | 1,10 kW | 
| Anschluss für alle Pumpen | Saugseitig/Druckseitig Ø 2“ IG/2“ IG | ||||
| Wassertemperatur | max. 45 °C | ||||
| Gewicht | 12,0 kg | 12,2 kg | 13,8 kg | 18,4 kg | 25,8 kg | 
| Dichtheitsklasse | IP 55 | ||||
| Gehäuseinnendruck | max. 2,5 bar | ||||
| Technische Daten können abweichen | |||||
ab 842,50 EUR
inkl. 19 % MwSt. zzgl. Versandkosten
842,50 EUR pro Stück